首页
关于我们
新闻动态
产品展示
信息反馈
联系我们
产品分类
>
压力变送器/差压变送器
>
SOTN1151差压/压力变送器
>
SOTN3351差压/压力变送器
>
SOTN90/80/70压力变送器
>
热电偶
>
热电偶、热电阻的基本原理
>
通用类
>
综合类
>
钢铁、冶金类
>
石油、天然气、化工类
>
电站类
>
测量元器件
测量元器件
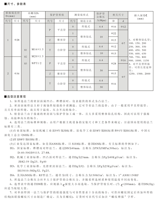
L系列、H系列、F系列保护套管
性能与规格
选型表
没有权限,请与管理员联系询问账号和密码,电话:0577-62988699/62988066/62988166
用户名:
密 码: